|
DEXA: Radiation Safety Gas-Filled Radiation Detectors |
Intro || Types || Production || Interaction || Attenuation || Biological Effects || Gas Detectors || Scintillation Counters || Protection Principles || Units || Practical || DEXA Theory || Dosimetry || References
This page contains the following sections:
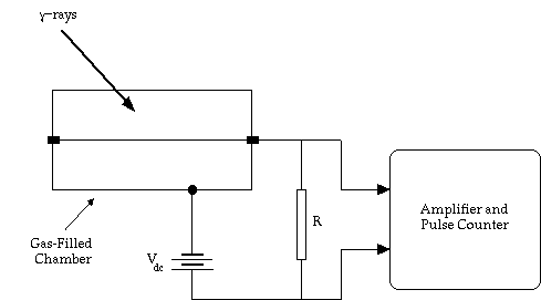
Ionisation of gas atoms e.g. an inert gas


Ionising radiation will produce
collectively called 'ION PAIRS'
in the gas, e.g. Ar.
|
Electrons -----> centre wire Ions -----> wall Charge flowing through R -----> current -----> voltage across R Voltage amplified and no. of voltage pulses counted |
Charge flowing through R dependent on Vdc =>

Vdc is so low that recombination of positive ions and electrons occurs so that not all ion pairs are collected.
Vdc is sufficiently high so that only a small amount of recombination occurs Ionisation Chamber Region.
Vdc is sufficiently high so that electrons approaching the centre wire attain sufficient energy between collisions with gas atoms to produce new ion pairs. A limited cascade takes place. The total charge passing through R may be up to 1000 times the charge produced initially by the radiation Proportionality Region.
The proportionality feature is lost.
Even a minimally-ionising particle will produce a very large voltage pulse. Ionisation process spreads along the total length of the centre wire, partly involving electrons as intermediaries. The initial ionisation triggers a complete gas breakdown.
Geiger-Muller Region
Gas breakdown must be stopped in order to prepare the counter for a new event.
=> Quenching
Spurious untriggered breakdowns start to occur and a continuous unquenchable discharge results.
The energy required to produce one ion pair for b-particles is ~34 eV.
Take the example of a beta-particle of energy 1 MeV. The number of ion pairs formed following absorption is:
![]()
Therefore the electric charge produced is:
![]()
![]()
Therefore for a chamber of capacitance, 100 pF, the amplitude of the voltage pulse is:
![]()
![]()
Conclusion: A sensitive amplifier is required to measure such pulses [electrometer]
An ionisation chamber is the natural instrument to use for measuring exposure from X- and gamma-rays since the unit of exposure is defined in terms of the number of ion pairs produced per unit mass of a gas (air).
e.g. Re-entrant Ionisation Chamber [used in the Isotope Calibrator]

Radioactivity displayed digitally in e.g. MBq
Controls =>
e.g. Argon filled chamber
Mass No. of Ar+ ion => 40;
Mass No. of electron => ~ ![]()
Therefore, Mass No. ratio => ~80,000:1
The slower movement of the positive ions causes the counter to be inoperative for a period of time, called the Dead Time, after the initiation of the gas breakdown.
Dead times (tau): ~200 - 400 µs typically
Therefore, observed count rate (m') < true count rate (n')
![]()
Vdc value is critical, but high stability not required =>

Relatively Inexpensive!
Use the selection box to view photos of gas-filled radiation detectors
Intro || Types || Production || Interaction || Attenuation || Biological Effects || Gas Detectors || Scintillation Counters || Protection Principles || Units || Practical || DEXA Theory || Dosimetry || References
Copyright © Kieran Maher
Last updated: 14 Feb '97